
Marque :
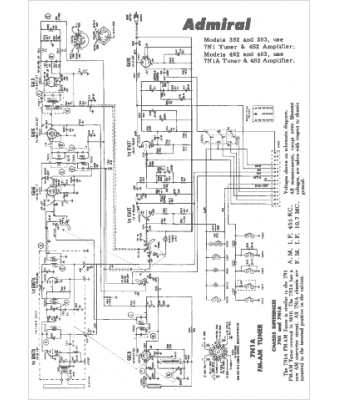
Admiral
Modèle :
7N1A
Type appareil :
récepteur à tubes
Année :
1959
Pays d'origine :
États-Unis
