
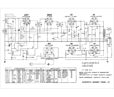
Marque :
Admiral
Modèle :
7-C
Type appareil :
récepteur à tubes
Année :
1940
Pays d'origine :
États-Unis
