
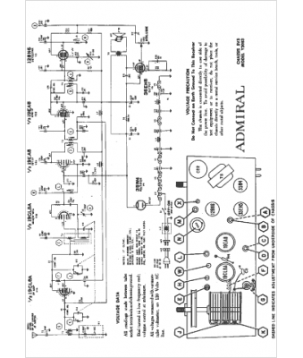
Marque :
Admiral
Modèle :
5V5
Type appareil :
récepteur à tubes
Année :
1961
Pays d'origine :
États-Unis
