
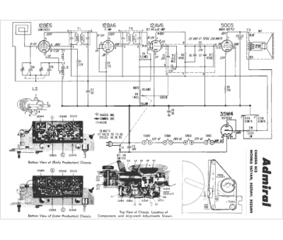
Marque :
Admiral
Modèle :
5C3
Type appareil :
récepteur à tubes
Année :
1953
Pays d'origine :
États-Unis
