
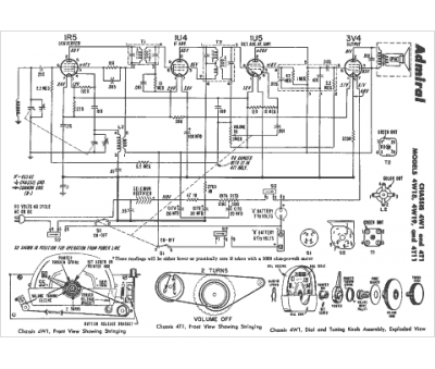
Marque :
Admiral
Modèle :
4W19
Type appareil :
récepteur à tubes
Année :
1951
Pays d'origine :
États-Unis
