
Marque :
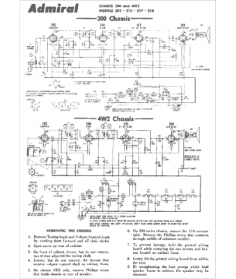
Admiral
Modèle :
202
Type appareil :
récepteur à tubes
Pays d'origine :
États-Unis
