
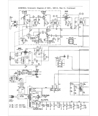
Marque :
Admiral
Modèle :
12B1
Type appareil :
récepteur à tubes
Année :
1959
Pays d'origine :
États-Unis
