
Marque :
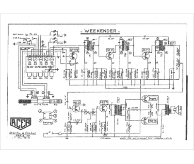
Acer
Modèle :
Weekender 60
Type appareil :
récepteur à transistors
Pays d'origine :
France
