
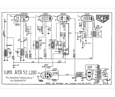
Marque :
Acer
Modèle :
Super 52 L 280
Type appareil :
récepteur à tubes
Pays d'origine :
France
