
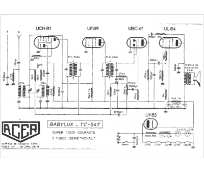
Marque :
Acer
Modèle :
Babylux TC 547
Type appareil :
récepteur à tubes
Pays d'origine :
France
