
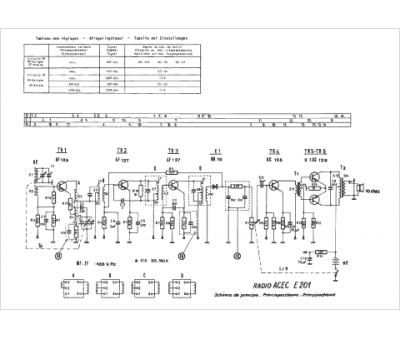
Marque :
ACEC
Modèle :
E 201
Type appareil :
récepteur à tubes
Pays d'origine :
Belgique
