
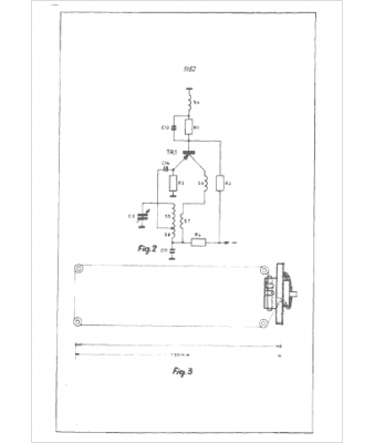
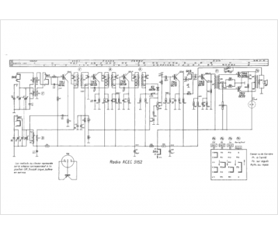
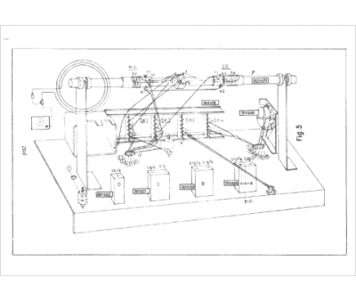
Marque :
ACEC
Modèle :
5152
Type appareil :
récepteur à tubes
Pays d'origine :
Belgique
