
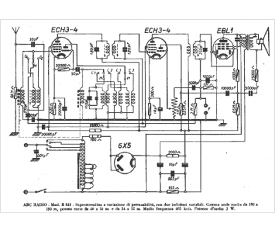
Marque :
ABC
Modèle :
R 841
Type appareil :
récepteur à tubes
Pays d'origine :
Italie
