
Marque :
A - I
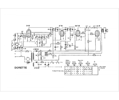
Modèle :
Dorette
Type appareil :
récepteur à tubes
Pays d'origine :
Pologne, ex-U.R.S.S.
