
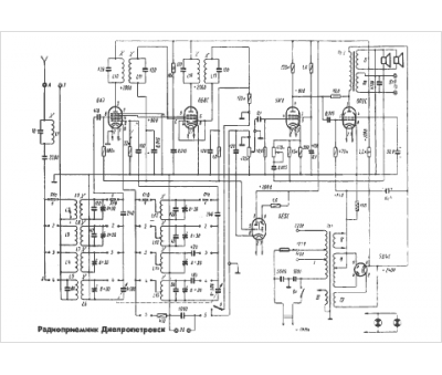
Marque :
A - I
Modèle :
Dniepropetrowsk
Type appareil :
récepteur à tubes
Pays d'origine :
ex-U.R.S.S.
