
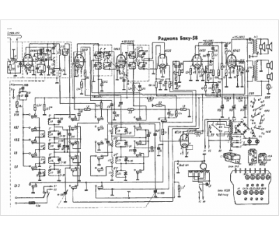
Marque :
A - I
Modèle :
Bakou-58
Type appareil :
radio tourne-disque à tubes
Pays d'origine :
ex-U.R.S.S.
